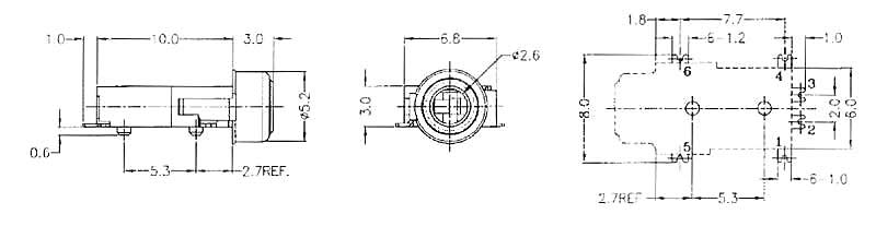
Our Products JACK SMT Earphone Jack EJ412-X-SMT EXTREMELY SLIM 3+1 POLES Please Click products below, and click Add to Inquiry List for inquiry. Part No. Schematic EJ412-6-SMT EJ412-5-SMT Add to Inquiry List Review Inquiry List Back