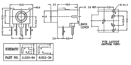
Our Products JACK 3.5mm Earphone Jack EJ322-X Please write down your comment on this product, and click Add to Inquiry List for inquiry Add to Inquiry List Review Inquiry List Back